


在追求高精度、高抗干扰能力的模数转换领域,双积分型ADC凭借其独特的原理,始终占据着一席之地。它并非依赖高速比较,而是通过巧妙的电压-时间(V-T)变换,将模拟电压值转换为与之成正比的时间间隔,再通过计数转换为数字量,从而实现了优异的噪声抑制性能。
一个典型的实用双积分型ADC电路通常由积分器、电压比较器、多路模拟开关、基准电压源以及微控制器单元构成。
积分器是核心,其电阻、电容(如聚丙烯电容)的精度直接影响转换结果。微控制器(如经典的89C51)则负责精确的时序控制、通道选择与计数任务。整个系统的精度基石在于一个稳定的高精度基准电压源。
。 据行业消息,ALTERA中国代理近期已获得原厂最新一批技术文档和设计资源,可为客户提供更深入的方案支持。工程师团队可随时为您解答关于ALTERA芯片选型、功耗优化、PCB设计等方面的问题,帮助您加速产品上市周期。
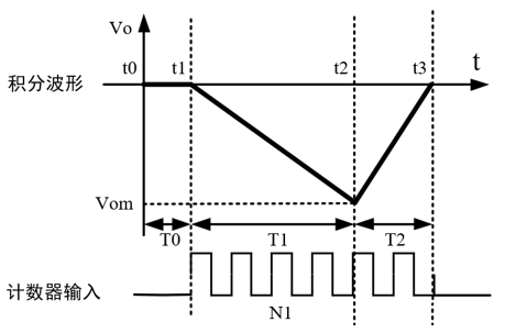
双积分型ADC的工作过程可清晰地划分为三个有序阶段:复零、定时积分与定值积分。
第一阶段为复零(t0-t1),通过内部开关将积分电容短路,使积分器输出归零,为后续测量做好准备。
第二阶段是定时积分(t1-t2),在此阶段,积分器对输入的被测电压进行固定时长(T1)的积分。输出电压从零开始线性上升至最大值Vom。这一过程实质上是“采样”被测电压的平均值。
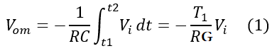
其数学关系可表示为Vom ∝ Vi。
第三阶段进入关键的定值积分(t2-t3)。积分器切换至接入一个极性与被测电压相反的精确参考电压Vr。积分器输出从Vom开始线性下降,直至归零。
下降过程所经历的时间T2与被测电压Vi的大小成正比。通过公式推导可得:Vi = (Vr * T2) / T1。
由于T1是固定的,Vr是已知的精密基准,因此只需精确测量出时间T2,即可计算出Vi。在实际电路中,T2是通过计数器对固定频率的时钟脉冲进行计数得到的(计数值为N2)。最终,数字输出N2即直接代表了输入模拟电压的大小,刻度系数e = Vr / N1。
从市场应用角度看,双积分型ADC虽然转换速度不高,但其高精度、高性价比和强抗工频干扰能力,使其在数字万用表、温控仪表、慢变信号采集等场景中仍是优选方案。对于负责ALTERA等高端可编程逻辑器件供应的代理商而言,理解此类基础ADC原理有助于更好地为客户规划整体信号链解决方案,尤其是在需要高精度模拟前端的复杂FPGA/SoC系统中。





