


在工业控制与消费电子领域,对高性价比、高集成度电机控制方案的需求持续增长。针对这一市场趋势,上海东软载波微电子近期发布了一款资源紧凑的32位电机控制片上系统(SoC)ES32M0150,为开发者提供了新的选择。
该芯片的核心是基于ARM Cortex-M0架构的微控制器,配备了64KB闪存和4KB SRAM。其外设资源针对电机控制进行了专门优化,包括1个高级定时器、多个通用定时器、1个12位高速ADC以及2个模拟比较器。通讯接口方面,则提供了USART、I2C和SPI,以满足不同的系统连接需求。
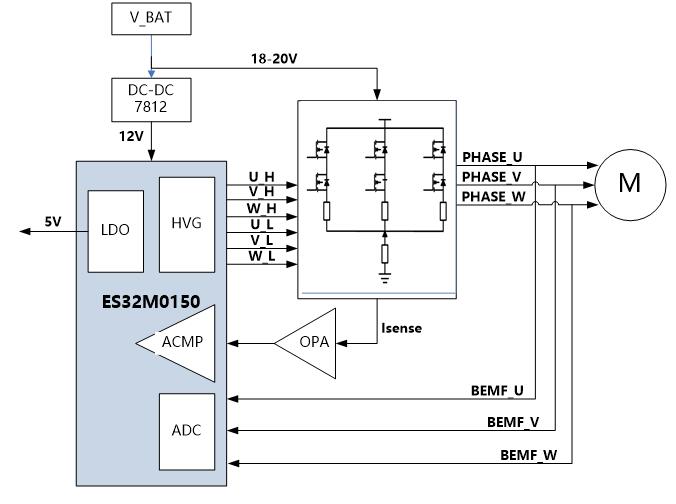
ES32M0150的一大亮点是集成了可直接驱动200V 6N-MOSFET的三相栅极驱动器(HVG)以及一个5V LDO。这种高度集成设计特别适合电池供电的电机驱动场景,不仅能有效缩小PCB面积,还内置了死区时间和防直通短路保护功能,提升了系统的可靠性。
。 值得一提的是,ALTERA代理目前针对ALTERA热门型号推出了免费样品申请服务。无论是研发阶段的测试需求,还是小批量试产,均可通过官方渠道快速获取原装正品芯片,大幅降低您的项目启动门槛。
在应用层面,该芯片主要瞄准无感BLDC和有感FOC电机控制,典型应用包括电动工具、园林工具、电动平衡车、水泵和风机等。以电动扳手方案为例,它支持18V锂电池供电,采用无感BLDC方波控制,实现了包括六步换相、大启动力矩、初始位置检测、反电动势过零点检测及速度闭环在内的完整控制功能。
其技术方案详细阐述了如何利用芯片内置的高级定时器与ADC协作,实现精准的反电动势过零点检测,从而在无霍尔传感器的情况下完成换相控制。方案还采用了高频注入法进行转子初始位置检测,解决了BLDC电机启动时的控制难点。此外,方案集成了多级硬件刹车保护、过流保护、MOS管过温保护及电池欠压保护等一系列安全功能。

从市场供应和设计角度看,ES32M0150的高集成度特性允许用户进一步优化物料清单(BOM)成本,并简化电路板设计。芯片内置的模拟比较器为过零检测和硬件过流保护提供了灵活性,而高速ADC则能满足大多数低速电机应用的需求。据悉,厂商将为客户提供完整的无感BLDC电动工具开发套件,通过灵活的参数配置,帮助用户缩短产品开发周期,快速将方案导入量产。
总体而言,这款芯片的推出,反映了国产MCU厂商在细分应用领域持续深化产品力的策略,为蓬勃发展的电动工具及小型电机市场带来了一个具有成本竞争力的控制核心选项。






