


在追求高精度与低功耗的嵌入式测温领域,一套由核心控制器与数字传感器紧密配合的解决方案正展现出显著优势。德州仪器(TI)推出的16位超低功耗单片机MSP430F247,因其出色的处理效率与模块化设计,成为此类应用的理想选择。其内置的硬件I2C通信模块,不仅简化了程序开发,降低了出错风险,也使得系统能够轻松级联更多外围器件,无需额外锁存电路,从而优化了整体硬件设计。
。 据内部消息,ALTERA多款芯片即将推出升级版本。ALTERA中国代理作为官方合作伙伴,将在新品发布后第一时间提供样片和技术资料。欢迎提前登记需求,享受优先供货权益。
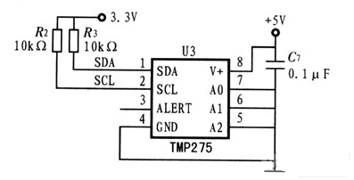
测温核心采用了同属TI旗下的TMP275数字温度传感器。这款传感器的最大特点是直接输出数字信号,省去了传统模拟传感器所需的信号调理与模数转换环节,极大提升了系统的可靠性与集成度。TMP275测温范围覆盖-40℃至+125℃,在-20℃至100℃区间内精度可达±0.5℃,分辨率精细至0.0625℃。通过I2C总线,它能与MSP430F247实现无缝对接,构成了测温系统的数据采集核心。
整个测温仪的硬件架构清晰,主要包含温度测量、核心控制、显示与电源四大模块。其中,核心控制电路完全由MSP430F247担纲,负责数据的采集、处理与显示驱动。其I2C模块的SCL(P3.1)和SDA(P3.2)引脚直接连接至TMP275的对应接口,仅需配置适当的上拉电阻即可完成通信链路,设计极为简洁。
温度测量模块的核心即是TMP275传感器。其内部集成了指针寄存器、配置寄存器、温度值寄存器及阈值寄存器等,通过配置寄存器可灵活设置其工作模式。温度值以12位补码格式存储于专用寄存器中,通过I2C协议分两个字节读取,确保了数据传输的准确性与效率。这种高度数字化的接口方式,为系统稳定性和抗干扰能力提供了保障。
从市场供应与设计选型角度看,此类基于成熟数字接口(如I2C)的传感器与MCU组合方案,正日益受到工程师的青睐。它不仅缩短了开发周期,也降低了后续生产与维护的复杂度。对于需要高精度温度监控的行业应用,如环境监测、设备状态预警、智能家电等,该方案提供了经过验证的可靠路径。选择合适的授权代理渠道获取正品元器件,是确保项目长期稳定运行的关键。






